Effluent Treatment Plant for the Agro & Fertilizer Industry
Industry Overview
The fertilizer industry generates effluent that is complex, highly variable, and rich in both organic and inorganic pollutants. The wastewater from fertilizer manufacturing processes typically contains:
- High COD (Chemical Oxygen Demand)
- Ammoniacal Nitrogen and Nitrates
- Phosphates and Sulphates
- Heavy Metals (in some cases)
- Oil & Grease, High TDS, and pH fluctuations
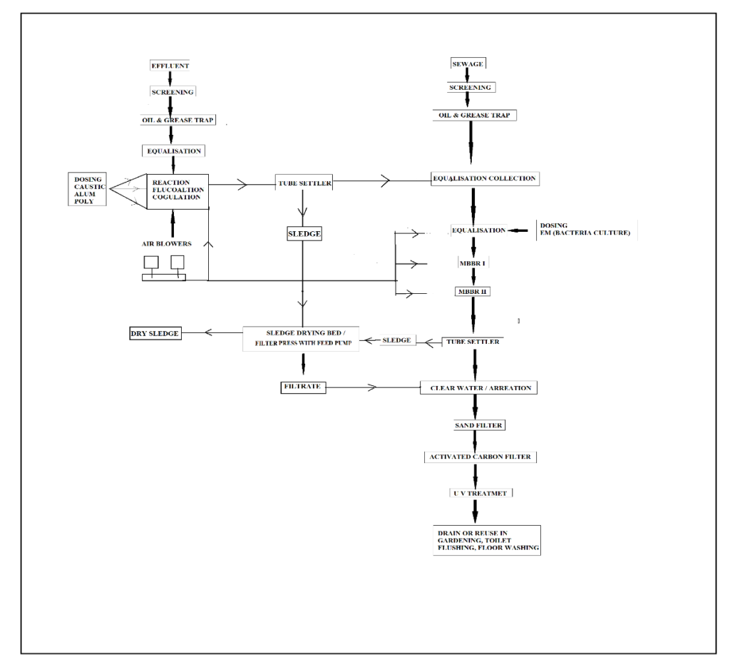
Because of these challenges, a standard biological or chemical treatment alone is often insufficient. This is where VEPL’s Hybrid ETP comes in—providing a robust, adaptable, and proven solution.


VEPL’s Hybrid ETP:
Mix Biological & Combined Treatment Technology
At Ventilair Engineers Pvt. Ltd., we specialize in Hybrid Effluent Treatment Plants (Hybrid ETPs) that combine:
- physio-Chemical Treatment
- Neutralization, coagulation, flocculation
- Removal of phosphates, suspended solids, and heavy metals
- Biological Treatment
- Activated Sludge Process (ASP), MBBR, & physio chemicle for organic load (BOD/COD) reduction
- Special consideration for ammonia removal using nitrification-denitrification
- Advanced Treatment / Tertiary Systems (Optional)
- Pressure sand filters, activated carbon filters, ozonation, UF/RO where ZLD is required
- Odor and colour removal systems based on client requirement
This Mix Biological and Combined Treatment Approach ensures that effluent from the fertilizer industry can be treated effectively to meet CPCB and SPCB norms—whether for discharge, reuse, or Zero Liquid Discharge (ZLD) compliance.
Our Experience: 400+ Hybrid ETP Installations
With over 400 ETPs installed across India using our Hybrid treatment model, VEPL is one of the most trusted names in industrial effluent treatment. Our systems are operational in small, medium, and large-scale fertilizer plants, both private and government-owned.
Why Choose VEPL for Fertilizer Industry ETP
Proven experience in handling complex fertilizer effluent
Over 400 Hybrid ETP units successfully installed
Custom-designed solutions based on effluent quality and site conditions
Compliance with discharge norms and ZLD readiness
End-to-end service from design to commissioning and AMC
Applications:
- Urea, DAP, NPK Manufacturing Plants
- Organic and Bio-Fertilizer Units
- Phosphate-based and Nitrogen-based Fertilizer Facilities
- Blending and Granulation Units
Partner with India’s Trusted ETP Experts
If your fertilizer plant is struggling with high nutrient loads, variable pH, or stringent pollution control board norms, Ventilair Engineers Pvt. Ltd. is ready to deliver a customized Hybrid ETP solution tailored to your effluent characteristics and regulatory needs.