Ventilair Engineers Pvt. Ltd.

Ventilair Engineers Pvt. Ltd.

+91-7678697164

ventilairengineerspvtltd@gmail.com

VEPL Compact Sewage Treatment Plant for Villas & Small Housing Units

MBBR-Based | Plug-and-Play | Low-Maintenance | Fully Accessorized

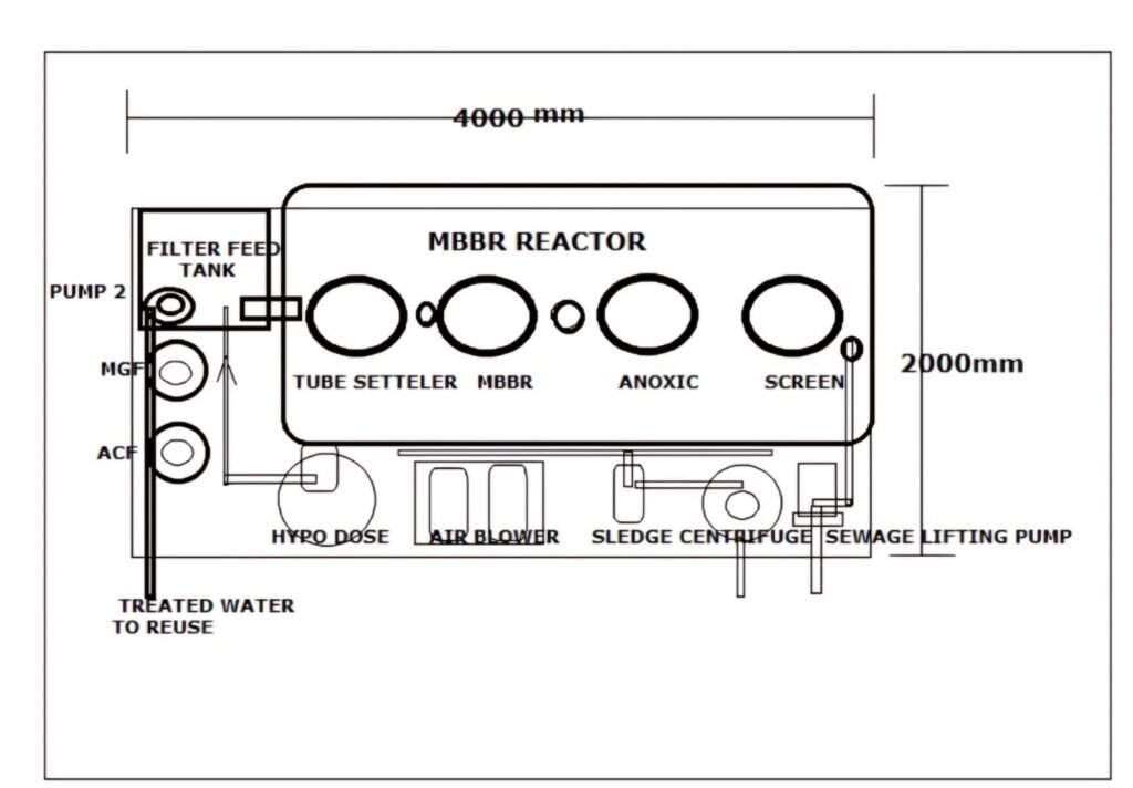
The VEPL Small-Capacity STP is a compact, prefabricated, and plug-and-play sewage treatment solution designed for individual villas, small gated communities, and low-density residential clusters. It uses Moving Bed Biofilm Reactor (MBBR) technology, ideal for domestic sewage with variable load.

The plant provides complete treatment – primary, secondary, tertiary, and ultrafiltration, along with filter press, UV disinfection, ozonator, chlorine & poly dosing, and redundant pumps and blowers (1 working + 1 standby) for operational reliability.

Technical Specifications:

Parameter

Specification

Brand

VEPL

Design

Modular / Compact / Skid-Mounted

Technology

MBBR (Moving Bed Biofilm Reactor)

Material of Construction

MS Epoxy Coated / FRP / SS Internals (as applicable)

Capacity Range

1 KLD to 20 KLD

Power Supply

230V or 415V, 1-Phase/3-Phase, 50 Hz

Automation

Semi-Automatic / Optional PLC Control

Pump & Blower Setup

1 Working + 1 Standby for all critical equipment

Footprint

3–5 m² (varies with capacity)

 

 Included System Components:

 Primary Treatment:

  • Bar Screen Chamber (for debris removal)
  • Oil & Grease Trap (optional, for kitchen wastewater)
  • Equalization Tank with Air Agitation
  • Poly Dosing Unit (for enhanced settling/flocculation)

 Secondary (Biological) Treatment:

  • MBBR Aeration Tank with bio-media
  • Fine Bubble Diffusers
  • Air Blower – Oil-free (1 Working + 1 Standby)
  • Tube Settler / Secondary Clarifier
  • Return Sludge Pump (1 Working + 1 Standby)

 Tertiary Treatment:

  • Pressure Sand Filter (PSF)
  • Activated Carbon Filter (ACF)
  • Chlorine Dosing Unit – Sodium Hypochlorite-based
  • Ultra Violet (UV) System – Disinfection chamber
  • Ozonator Unit – Optional, for additional polishing

 Ultrafiltration (UF) Module:

  • UF Membrane (Hollow Fiber, 0.01–0.1 µm)
  • UF Backwash Pump (1 Working + 1 Standby)

 Sludge Handling:

  • Sludge Holding Section / Chamber
  • Sludge Transfer Pump (1 Working + 1 Standby)
  • Filter Press (Manual or Semi-Auto) for dry sludge discharge

 

 Instrumentation & Control:

  • MCC/PLC Panel (IP55 or higher, with indicators/alarms)
  • Flow Meters, Level Sensors, Pressure Gauges
  • Piping, Valves, Access Points
  • Optional remote monitoring (IoT-based)

 

 Inlet and Outlet Parameters:

Parameter

Raw Sewage (Inlet)

After Tertiary Treatment

Final (Post UF, UV, Ozone)

pH

6.5 – 8.5

6.8 – 8.2

6.8 – 8.2

BOD (mg/L)

250 – 350

< 10

< 5

COD (mg/L)

500 – 600

< 30

< 10

TSS (mg/L)

200 – 300

< 10

< 5

Turbidity (NTU)

100 – 150

< 5

< 1

Oil & Grease (mg/L)

10 – 20

< 5

< 1

Pathogens (E. Coli etc.)

Present

Significantly Reduced

Nil

Color / Odor

Foul

Removed

Colorless, odorless

 Treated water complies with CPCB norms and is suitable for:

  • Flushing
  • Gardening/Landscaping
  • Floor washing
  • Car washing

 

 Advantages for Villa Applications:

  •  Small Footprint – Ideal for backyards, basements, or common utility zones
  •  High-Quality Recycled Water – Reduces fresh water usage
  •  Silent & Odor-Free – Suitable for residential areas
  •  Redundant Design – All pumps and blowers in 1W + 1S setup
  •  Low Maintenance – Easy operation with optional automation
  •  Energy-Efficient – Optimized for small, decentralized systems

 Factory-Fabricated – Easy to install, minimal civil work

Call Now Button