VEPL – Packaged Sewage Treatment Plant (STP)
Efficient, Compact & Plug-and-Play Sewage Treatment Solutions for Diverse Applications
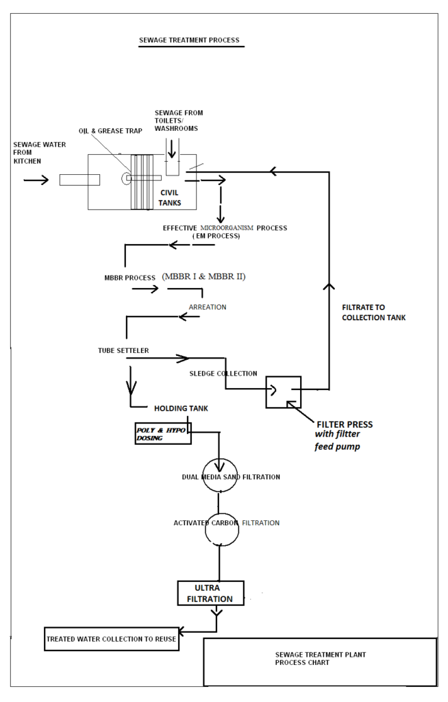
Ventilair Engineers Pvt. Ltd. (VEPL) presents its Packaged Sewage Treatment Plant (STP) — a fully assembled, factory-built sewage treatment system designed for quick installation, compact footprint, and reliable operation. Ideal for residential complexes, commercial offices, hospitals, educational institutions, and small industries, our packaged STPs come in capacities ranging from 5 KLD to 200 KLD with advanced biological treatment technologies.
Built for ease of transport and plug-and-play installation, VEPL’s packaged STP guarantees compliance with CPCB/SPCB standards, low maintenance, and superior treated water quality—ready for reuse applications such as flushing, gardening, and cooling.


Technical Specifications
Feature | Details |
Capacity Range | 5 KLD to 200 KLD |
Technology Options | MBBR / SBR / FAB / Extended Aeration / MBR |
Material of Construction | Mild Steel / FRP / RCC |
Design Type | Factory-assembled, skid-mounted or containerized |
Operation Mode | Fully Automatic / Semi-Automatic |
Power Consumption | Low power design with energy-saving components |
Disinfection | UV or Chlorination |
Final Polishing (Optional) | Ultrafiltration (UF) |
Compliance | CPCB & State Pollution Control Board norms |
Automation | PLC based control panel with optional remote monitoring |
Stage-wise Inlet & Outlet Parameters
- Primary Treatment
(Screening, Grit Removal, Equalization Tank)
Parameter | Inlet (Raw Sewage) | After Primary Treatment |
pH | 6.5 – 8.5 | 6.5 – 8.5 |
BOD | 250 – 400 mg/L | 150 – 220 mg/L |
COD | 500 – 700 mg/L | 300 – 450 mg/L |
TSS | 200 – 350 mg/L | 100 – 150 mg/L |
Oil & Grease | 20 – 50 mg/L | < 20 mg/L |
- Secondary Treatment
(Biological Reactor: MBBR / SBR / FAB + Secondary Clarifier)
Parameter | After Primary | After Secondary Treatment |
BOD | 150 – 220 mg/L | < 30 mg/L |
COD | 300 – 450 mg/L | < 100 mg/L |
TSS | 100 – 150 mg/L | < 30 mg/L |
Ammonia (NH₄) | 10 – 25 mg/L | < 10 mg/L |
- Tertiary Treatment
(Sand Filter → Activated Carbon Filter → UV / Chlorination)
Parameter | After Secondary | After Tertiary Treatment |
BOD | < 30 mg/L | < 10 mg/L |
COD | < 100 mg/L | < 30 mg/L |
TSS | < 30 mg/L | < 5 mg/L |
Pathogen Count | Moderate | Up to 99% Reduction |
Odor & Color | Slight Smell / Color | Odorless / Clear |
- After Ultrafiltration (Optional Final Polishing)
(For High-Quality Reuse: HVAC Cooling, Car Washing, Flushing)
Parameter | After Tertiary | After UF Output |
BOD | < 10 mg/L | < 5 mg/L |
TSS | < 5 mg/L | < 1 mg/L |
Turbidity | < 5 NTU | < 1 NTU |
Pathogen Removal | Up to 99% | Up to 99.99% |
Benefits of VEPL Packaged STP
- Factory-built & tested for plug-and-play installation
- Compact footprint – ideal for limited spaces
- Minimal civil work required
- Energy efficient with automated controls
- Superior effluent quality meeting regulatory norms
- Suitable for residential, commercial, healthcare, and institutional sectors
- Enables water recycling, reducing freshwater consumption
- Optional IoT-enabled remote monitoring for performance tracking
Ideal Applications
- Residential apartment complexes
- Corporate offices & commercial buildings
- Hospitals & healthcare facilities
- Educational institutions & campuses
- Small to medium industries & factories